Inquiry
About us
Business concept
Engineering Techniques
Inspection Capability
Products
Zero-point system chuck
Base Plate
Pull bolt
Others
Custom products
Centering vise
Catalogue
English Catalogue
Videos
Product verification related
Install calibration
Manual material change
Automation application
Contact us
繁體中文
简体中文
English
繁體中文
简体中文
English
Inquiry (
)
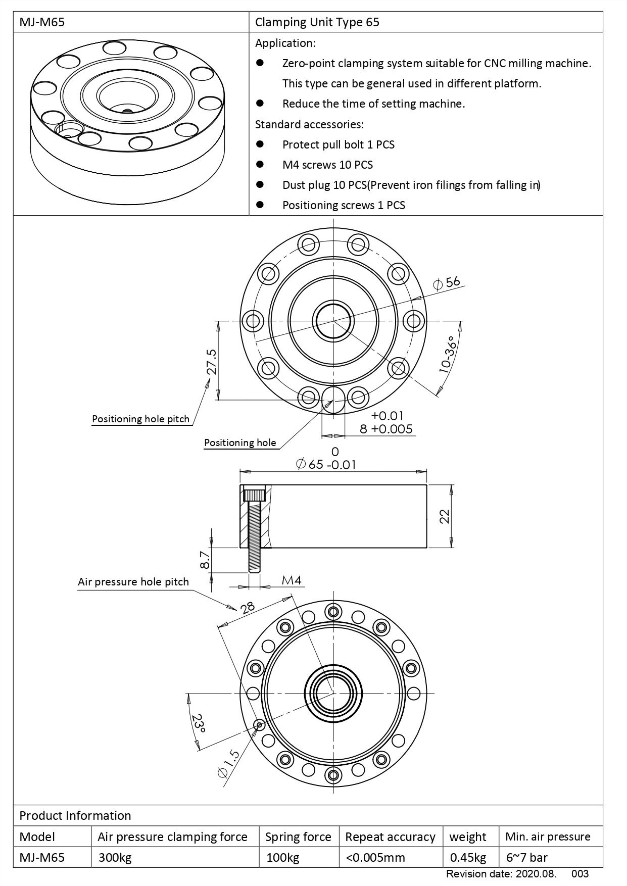
Clamping Unit Type 65
Home
Products
Zero-point system chuck
Clamping Unit Type 65
Weight: 0.45kg
Minimum air supply pressure: 6bar
Repeat accuracy <0.005mm
Single chuck maximum spring force of 100kg
Model :
MJ-M65
Q'ty :
Add To Inquiry
Specifications
Features
Applications
Zero-point clamping system suitable for CNC milling machine. This typ
e can be general used in different platform or f
ifth axis.
.
Reduce the time of setting machine
platform.
Reduce time of the changing machine line.
When using at least two upper unit plate, loading and unloading time can be reduced to 15 sec. Greatly increasing production capacity.
Related Products
More
Model : MJ-M130
Clamping Unit Type130
Add To Inquiry
More
Model : MJ-M100
Clamping Unit Type100
Add To Inquiry